91免费在线视频污双电源 创造品牌影响力
91免费在线视频污电气致力于优良的电子产品研发、生产与销售

产品详情
概述
BYGQ系列自动复位过欠压保护器是我公司根据目前市电状况研制的新一代家电保护装置。控制线路板选用进口元器件组装,产品用模数化标准生产,性能优良、可靠。能在电压异常情况下正常工作。当市电电压超过保护器的设定过压动作电压值时,保护器能迅速、可靠地切断电路,以达到保护电器安全。当市电电压恢复正常时,保护器能自动延时1-2分钟(特殊时间可以订制)接通电源恢复供电,所有功能全部自动实施、无需人员操作。面板上的发光二极管能指示保护器工作状况。指示灯绿灯是工作电源指示,指示灯红灯不亮时正常供电,红灯亮时保护功能启动切断供电。
36mm宽度自动复位过欠压延时保护器是我公司根据市场要求改进的第二代自复式过欠压延时保护器,外观精美小巧,与2P宽度大小DZ47一样,配电箱安装可靠,方便,双发光二极管指示,方便清晰,容易看懂,电源进入不仅可以上进下出,也可以下进上出,极大满足客户要求。我公司根据市场要求改进的第二代自复式过欠压延时保护器,外观精美小巧,与2P宽度大小DZ47一样,配电箱安装可靠,方便,双发光二极管指示,方便清晰,容易看懂,电源进入不仅可以上进下出,也可以下进上出,极大满足客户要求。
型号及其含义

主要技术参数

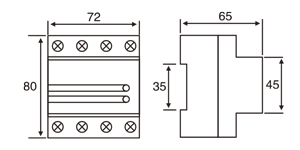
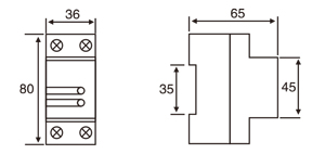
外形及安装尺寸图
●外形尺寸(毫米)见下图
●海拔高度不超过2000m;
●允许使用温度范围-40℃~+50℃
●空气相对湿度≤80?
●本产品为TH35mm导轨,不可安装。


注意事项
1、保护器初次通电时需延时1-2分钟后给负载正常供电。
2、保护器N线为零线,L为火线,保护器断开时内部继电器只切断L火线,严禁零线与火线接错。
3、在使用前请拧紧卡线螺钉,防止接触不良而损坏产品。
4、保护器没有过载和短路保护,因此,在保护器输入端前安装DZ47小型断路器作过载和短路保护。
©2019 上海91免费在线视频污电气有限公司 版权所有 沪ICP备83111016号-1